Артикул:
115.571
1 руб/шт
Варианты цен
1 руб/шт
В корзину
Описание
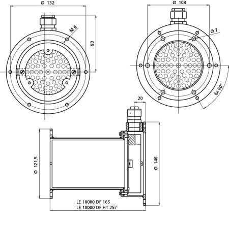
Двухфланцевый воздухонагреватель последнего поколения LE 10000 DF (400 В / 5.5 кВт)
Подробности
Характеристики
Напряжение, В
—
400
Мощность, кВт
—
5.5
Класс защиты
—
1
Максимальная температура окр. среды, t град.С
—
100
Максимальное статическое давление, кПа
—
100
Частота переменного тока, Гц
—
50/60
Встроенный блок электроники
—
Нет
Все характеристики
Для удобства откладывайте товары в корзину!
После отправки запроса, менеджер проверит наличие товаров на складе и Вам будет направлен счет на оплату.
Приведённые цены и характеристики товаров носят исключительно ознакомительный характер и не являются публичной офертой.
После отправки запроса, менеджер проверит наличие товаров на складе и Вам будет направлен счет на оплату.
Приведённые цены и характеристики товаров носят исключительно ознакомительный характер и не являются публичной офертой.
Двухфланцевый воздухонагреватель последнего поколения LE 10000 DF (400 В / 5.5 кВт) специально разработан для использования в режиме рециркуляции горячего воздуха.
Преимущества:
- В зависимости от температуры воздуха на входе и на выходе, «рециркуляция» горячего воздуха позволяет сэкономить огромное количество энергии.
- Со стороны впуска устройство может легко переносить температуру до 150 ° C / 302 ° F.
- Легко интегрируется в существующие воздушные системы.
- Подходит для рециркуляции воздуха.
- Простые и безопасные варианты крепления.
- Нет встроенной силовой электроники.
Документы
Инструкция
447,5 кб
Каталог
922,4 кб
|
Напряжение, В
|
400 |
|
Мощность, кВт
|
5.5 |
|
Класс защиты
|
1 |
|
Максимальная температура окр. среды, t град.С
|
100 |
|
Максимальное статическое давление, кПа
|
100 |
|
Частота переменного тока, Гц
|
50/60 |
|
Встроенный блок электроники
|
Нет |
|
Максимальная температура воздуха на выходе t град С
|
650 |
|
Минимальный расход воздуха на входе, л/мин
|
400 |
|
Максимальная температура воздуха на входе t град С
|
160 |
|
Встроенный температурный зонд
|
Нет |
|
Автоматическая защита от перегрева
|
Нет |
|
Датчик обнаружения перегрева
|
Нет |
|
Встроенный регулятор температуры
|
Нет |
|
Дисплей для отображения значений
|
Нет |
|
Вес, кг
|
3.4 |
|
Гарантия
|
1 год |
Арт.: 114.555
Бренд: LEISTER
Двухфланцевые воздухонагреватели разработаны для использования в режиме рециркуляции горячего воздуха.
Характеристики
Под заказ
Наши менеджеры обязательно свяжутся с вами и уточнят условия заказа
Арт.: 116.135
Бренд: LEISTER
Двухфланцевый воздухонагреватель LE 10000 DF 400 В / 17 кВт
Характеристики
Под заказ
Наши менеджеры обязательно свяжутся с вами и уточнят условия заказа
Арт.: 115.571
Бренд: LEISTER
Двухфланцевый воздухонагреватель последнего поколения LE 10000 DF (400 В / 5.5 кВт)
Характеристики
Под заказ
Наши менеджеры обязательно свяжутся с вами и уточнят условия заказа
Арт.: 146.479
Бренд: LEISTER
Воздухонагреватель LE 10 000 DF-R разработан для использования в режиме рециркуляции горячего воздуха
Характеристики
Под заказ
Наши менеджеры обязательно свяжутся с вами и уточнят условия заказа
Показать еще
Арт.: 152.906
Бренд: LEISTER
Характеристики
Под заказ
Наши менеджеры обязательно свяжутся с вами и уточнят условия заказа
Под заказ
Наши менеджеры обязательно свяжутся с вами и уточнят условия заказа
Под заказ
Наши менеджеры обязательно свяжутся с вами и уточнят условия заказа
Под заказ
Наши менеджеры обязательно свяжутся с вами и уточнят условия заказа
Показать еще
Инструкция
447,5 кб
Каталог
922,4 кб
